يوصى بشاحن Orion Pennant 150 لشحن بطاريات السيارة بقوة 12 فولت. إنه قادر على شحن البطاريات التي تم تفريغها جزئيًا وتفريغها بالكامل لفترة طويلة.
Sodrezhanie
نظرة عامة على الجهاز
شاحن بينانت مصنوعة من شركة "أوريون" الروسية. السكن مصنوع من البلاستيك عالي الجودة. هذا هو جهاز عالمي يمكن أن تؤخذ على الطريق. في الطقس البارد ، يوفر الشاحن شحن سريع مسبقًا لبطارية السيارة.
لتحديد الشحنة ، يوجد في الجانب الأمامي مؤشر:
- المؤشر مغلق. إذا كان الجهاز متصلاً بالشبكة ، لكن مؤشر LED لا يضيء ، فإما أن الشاحن لا يعمل بشكل صحيح ، أو توجد مشاكل في مزود الطاقة.
- المؤشر الأحمر في وضع التشغيل. هذا اللون يعني أن الشاحن موصول أو الشحن قيد التقدم. أثناء شحن البطارية ، يتغير لون المصباح من الأحمر إلى الأصفر ومن الأصفر إلى الأخضر.
- الصمام البرتقالي. البطارية مشحونة بنسبة 50٪ تقريبًا.
- مؤشر أصفر. جددت البطارية الشحن بنسبة 70-80٪
- الصمام الأخضر. اللون يعني أن البطارية مشحونة بالكامل.
يحتوي الجهاز على مصاريع خاصة للتبريد. وشملت هي المشابك الطرفية وسلك الطاقة. يتم طيها في المقصورة الخلفية.
مواصفات المنتج 150
مواصفات أوريون PW 150 هي كما يلي:
| ميزة | قيمة |
|---|---|
| الجهد | 220 فولت |
| الحد الأدنى المسؤول الحالي | 0.4 أمبير |
| أقصى تهمة الحالية | 7 أمبير |
| شحن البطارية الجهد | 12 فولت |
| تهمة الجهد | 15 فولت |
| التعديل الحالي | مفقود |
| الجهد رحلة | في 14،1-15،1 |
| إعادة توصيل الجهد | في 13،3-13،7 |
| تنظيم الجهد | مفقود |
| خوارزمية المسؤول | الدافع الاغلاق |
| مؤشر الشحن | الادية |
| نطاق درجة حرارة التشغيل | من -40 إلى +50 درجة مئوية |
| الأبعاد | 145x70x165 مم |
| الوزن | 440 جرام |
قم بتنزيل التعليمات الرسمية التفصيلية الكاملة من الشركة المصنعة في نهاية المقالة.
ميزات الجهاز
على عكس أجهزة الشحن الأخرى ، فإن Pennant 150 لديه بعض الاختلافات.
مثل:
- وضع البطارية التلقائي بالكامل.
- أثناء التشغيل ، حماية ضد ماس كهربائى.
- الناتج المحدد الحالي يراقب درجة الحرارة. مع زيادة أنه يقلل من القوة الحالية ، وبالتالي خفض التدفئة في السكن والذاكرة بأكملها ؛
- انخفاض سعر السوق.
مصممة لشحن بطاريات 12 فولت فقط. غالبًا ما تكون سيارة.
كيفية شحن البطارية باستخدام راية 150
وفقًا للتعليمات ، يجب أن يتم الاتصال بالشاحن بالترتيب التالي:
- وترتبط المشابك راية 150 إلى أطراف البطارية. يجب مراعاة القطبية. يتم توصيل مقطع أحمر إلى علامة الجمع ، والأسود إلى الطرح. قد يؤدي الارتباك أثناء الاتصال إلى خروج الجهاز من حالة الوقوف أو انفجاره.
- فقط بعد توصيل الأجهزة الطرفية ، يتم توصيل الجهاز بالشبكة الكهربائية بجهد 220 فولت. سيظهر توهج أحمر على المؤشر أعلى نقش "الوضع". هذا يعني أن البطارية بدأت في الشحن.
- بعد ذلك ، يتم شحن البطارية في الوضع التلقائي.
- عندما تصل البطارية إلى الجزء الأكبر من الشحن ، ستنتقل إلى وضع التبديل التلقائي. اعتمادًا على التآكل ، تكتسب البطارية من 70 إلى 90 بالمائة من الشحن.
- من أجل أن يحصل acb على نسبة 100٪ كاملة ، يجب السماح بالعمل في وضع التبديل. سيومض المؤشر في هذا الوقت من الأحمر إلى الأخضر أو البرتقالي. إذا ظلت البطارية القديمة في هذا الوضع لفترة من الوقت ، فيمكنها استعادة خصائصها.
- بعد الشحن ، يجب فصل الجهاز عن الشبكة وإزالة الأجهزة الطرفية. امسح المشابك والمحطات الطرفية بقطعة قماش رطبة ثم جافة.
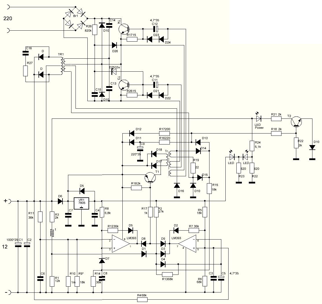
مخطط الدائرة
قم بتنزيل دليل PDF الرسمي
يمكن تنزيل إرشادات استخدام شاحن Orion Pennant 150 HERE.
لديك شاحن بينانت 150؟ ثم أخبرنا في التعليقات عن أي واحد وعن انطباعاتك عنه ، سيساعد ذلك سائقي السيارات الآخرين بشكل كبير وسيجعل المادة أكثر اكتمالًا ودقيقة.
التعليقات
Evgeny P ، 43 عامًا ، روستوف نا دون
لقد تم استخدام هذا المساعد لفترة طويلة. ساعد في كثير من الأحيان. الأموال المستثمرة فيه ، تفي 100 ٪. في كلمة واحدة - "أحسنت!"
أندريه الخامس ، 30 عامًا ، سانت بطرسبرغ
سهل الاستخدام تعامل مع المهمة بسرعة. لا توجد شكاوى وليس هناك أي سلبيات أيضا. راضي عن الجميع والأهم من ذلك أن السعر منخفض.
ديمتري الأول ، 56 عامًا ، تفير
البطارية التي تم تفريغها ، والتي عملت بشكل جيد بالفعل ، شحن الجهاز 100 في المئة. صحيح ، استغرق الأمر وقتًا طويلاً لشحنه. ولكن الآن لا توجد مشكلة ، السيارة تبدأ على الفور.




